ADC基礎

SC アンプ オフセットキャンセル

スイッチトキャパシタ(SC)アンプにおける非理想性として,DCオフセット,1/fノイズ,有限利得の影響を解説します.電荷保存則に基づき誤差の発生メカニズムとオフセットキャンセル手法を分かりやすく整理します.
ADC基礎

SC 積分器演習 -伝達関数から回路図の作成-

与えられたz領域伝達関数を分解し,スイッチトキャパシタ回路として実装する方法を解説します.遅延付き積分器,係数の独立設計,加算回路と分解することで,複雑な伝達関数を回路で実装する手順を学びます.
ADC基礎

SC積分器(Switched capacitor integrator)

SC積分器(Switched capacitor integrator)を題材に,離散時間における積分器を基礎から整理します.連続時間積分器との違い,Z変換による伝達関数の導出,遅延付き/遅延なし構成の回路実装までを解説します.
ADC基礎

離散時間回路解析のための Z 変換

ADCやスイッチトキャパシタ回路を解析するために不可欠なZ変換を基礎から整理します.差分方程式から伝達関数 H(z) を導出する方法,z^{-1} の意味,単位円による安定性判定,z=e^{sT} によるラプラス変換との対応までを解説する導入編です.
ADC基礎

スイッチトキャパシタアンプの回路解析

スイッチトキャパシタ(SC)回路を,KCL(キルヒホッフ電流則)から定常値解析します.電圧ステップと δ 関数で電流を表し,電荷保存則へ帰着する理由を整理します.
ADC基礎

スイッチトキャパシタ(Switched-capacitor)

S/H回路でサンプルした電圧を次段へ受け渡すために,スイッチトキャパシタ(SC)の考え方と基本動作を図解します.電荷転送,容量比利得,リセットの必要性をまとめます.
ADC基礎

ボトムプレートサンプリング

S/H回路で誤差の要因となるチャージインジェクションの対策方法として有力なボトムプレートサンプリングについて解説します.ボトムプレートサンプリングを実装するために,必要となる基礎的な考え方を丁寧にまとめます.
ADC基礎

チャージインジェクション(Charge Injection)

S/H回路で誤差の要因となるチャージインジェクションについて図と式を用いて丁寧に解説します.また,チャージシェアやクロックフィードスルーにも触れ,容量に関する誤差について理解が深まります.
ADC基礎

サンプルホールド回路の熱雑音(Thermal Noise)

S/H 回路の熱雑音(kT/Cノイズ)を,抵抗の熱雑音,RC回路,サンプリング後のPSD,容量設計の観点から体系的に解説します.ADCの分解能・SNR設計に直結する重要ポイントを整理します.
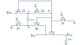
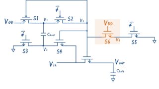
ADC基礎

ゲート・ブートストラップスイッチ(Gate Bootstrap Switch)

ブートストラップスイッチの目的とその役割についてわかりやすく解説します.回路実装をトランジスタ一つずつ丁寧にまとめました.